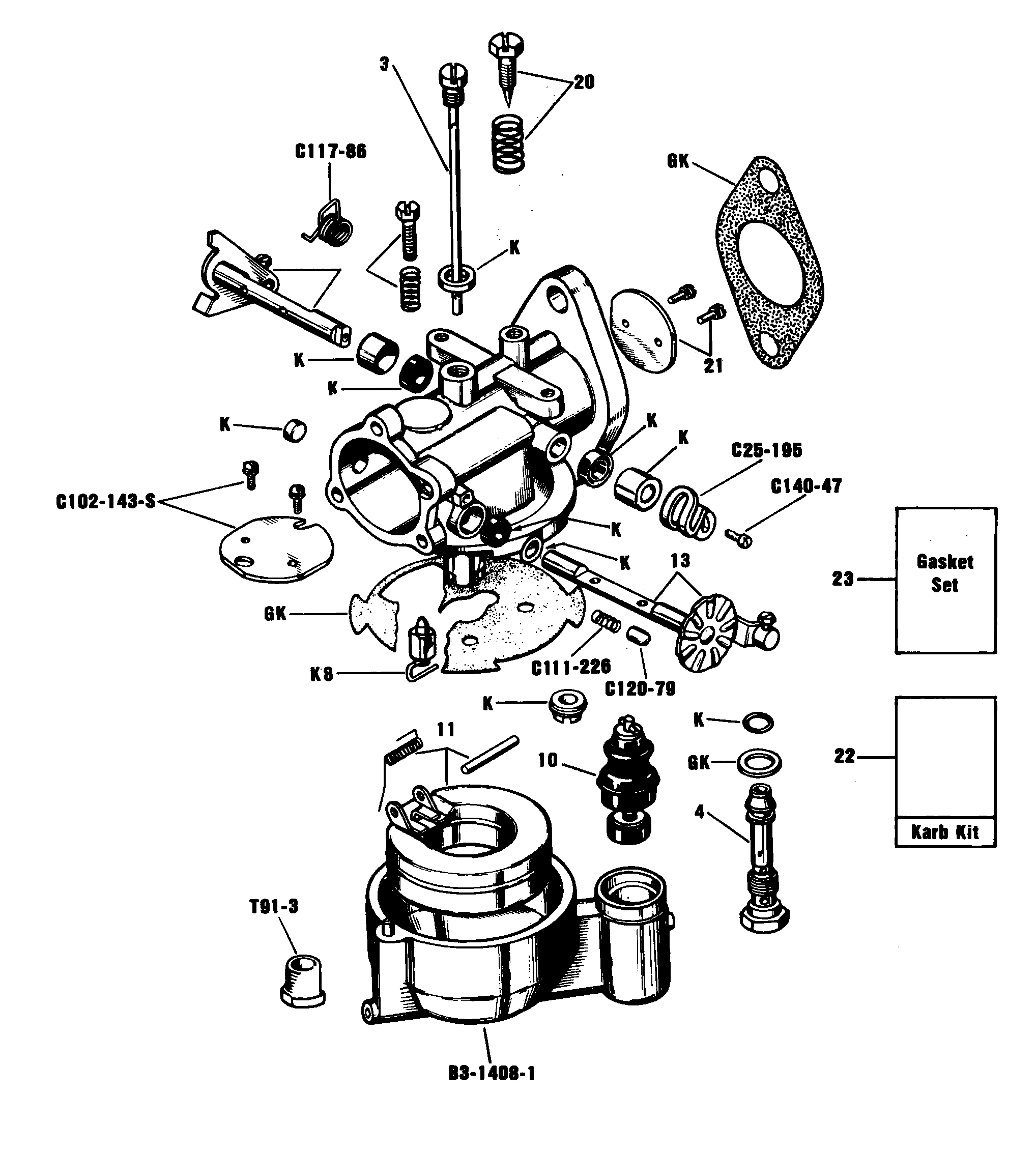
- Zenith Assembly Number: 13599
- Model: 16Y10
- Vehicle/Machine Manufacturer: Les Industries Valcartier
- Service carburetor: 13599
- Service carburetor may not be currently available. For reference only.
Kits and Parts
Additional parts may be available. Please email or call us.


