Phone
888-664-6462
Email
doc@carbdoc.com
Toggle navigation
Catalog
Carburetor Models
Carter Carb Models
Ford/Autolite/Motorcraft Carb Models
Holley Carb Models
Marvel-Schebler Carb Models
Rochester Carb Models
Rochester Quadrajets
Stromberg Carb Models
Zenith Carb Models
All Carburetor Models
Parts Buyers Guides
Kits
Floats
Choke Pull Offs
Choke Thermostats
Carburetors
Other parts
Service Manuals
All Buyers Guides
Applications
Cars and trucks
Marine
Tractors, Farm & Industrial
Catalog Index
Manuals
Carter
Ford
Holley
Marvel-Schebler
Rochester
Stromberg
Zenith
Index of Manuals
Numbers
Carb Number Lookup
Carter Carburetor Numbers
Ford/Autolite/Motorcraft Carburetor Numbers
Holley Carburetor Numbers
Marvel Schebler Carburetor Numbers
Rochester Carburetor Numbers
Quadrajet Carburetor Numbers
Stromberg Carburetor Numbers
Zenith Carburetor Numbers
How To Find Carb Numbers
Find Carter Numbers
Find Ford-Autolite-Motorcraft Numbers
Find Holley List Numbers
Find Marvel-Schebler TSX Numbers
Find Rochester Numbers
Find Stromberg Numbers
Find Zenith Numbers
More Carburetor Number Resources
Identifying Carter Carbs From Flange Numbers
Identify Marvel-Schebler TSX Carbs From Measurements
Quadrajet Model Identification
Decoding Stromberg Manufacturer Code Numbers
Stromberg WW and WWC Carbs on GMC trucks
Tech
Carburetor Service Manual E-Books
Carter
Ford
Holley
Marvel-Schebler
Rochester
Stromberg
Zenith
Index of Manuals
Carburetor Tech Guides
Carter
Ford-Autolite-Motorcraft
Holley
Marvel-Schebler
Rochester
Stromberg
Zenith
Tech Index
Carb Model Identification Charts
Carter
Ford-Autolite-Motorcraft
Holley
Marvel-Schebler
Rochester
Stromberg
Zenith
Articles
Carburetor Basics
Carburetor Tune Up Guide
Correct Size AFB for a Chevy 350
Fuel Delivery - Flathead Carbs
Rochester Model B History, Identification and Parts
Stromberg WW & WWC Carburetors for GMC Trucks
About
About Us
Shipping
Contact
Terms of Service
Privacy Policy
Faith
zenith carburetor kits, floats and parts
home
zenith
FREE SHIPPING ON US PARTS ORDERS OVER $75
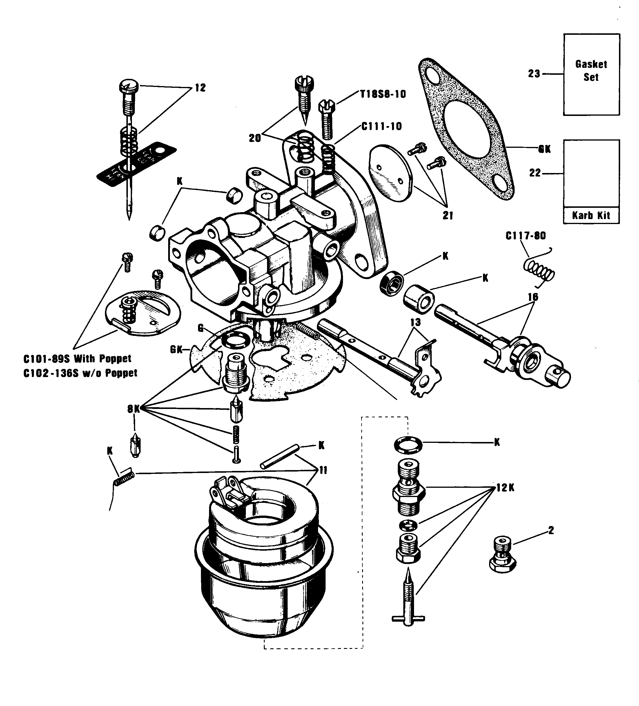
Typical Zenith Model
1408
Carburetor
Zenith Assembly Number:
13561
Model:
1408
Vehicle/Machine Manufacturer
: Wisconsin
Manufacturer's Part Number:
L-95-C
Exploded View of Zenith Model
1408
Carburetor - click image to enlarge
Kits and Parts
Additional parts may be available.
Please email or call us.
ck9947 Zenith Carburetor Kit
Add to Cart
f9069 Zenith Carburetor Float
Add to Cart
The Carburetor Doctor
contact us