The Stromberg OH is a 5/8" bore side-draft (horizontal) carburetor used on Wisconsin engines.
The Stromberg UC is an updraft carburetor produced in 3/4" and 7/8" bore sizes, used on Wisconsin engines.
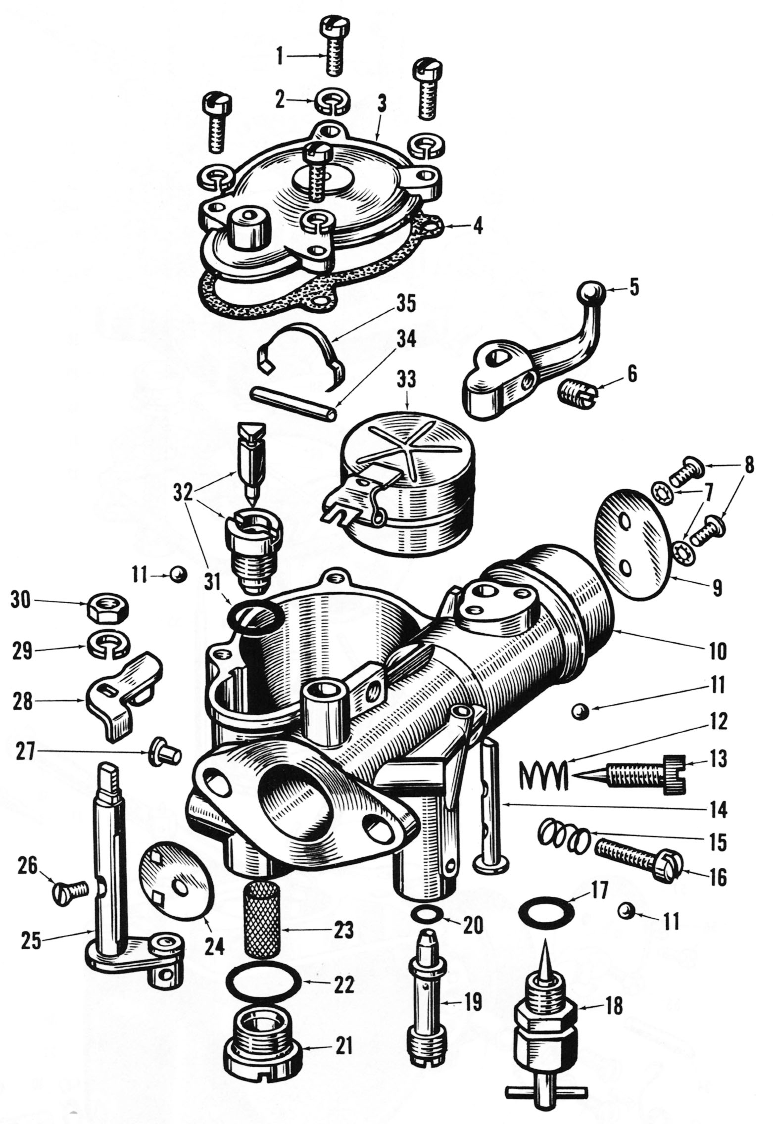
The Stromberg UR is a 3/4" bore updraft carburetor produced in 3/4" and 7/8" bore sizes, used on a variety of industrial and marine applications.
Carburetor numbers on many of these carburetors were on a round disc riveted to the top of the carburetor.
Explanation of Stromberg carburetor number manufacturer codes
Stromberg carburetors listed by carburetor number
