cm008 Holley Modular 4 Barrel Carburetor Manual Ebook - check email for download link
Detailed service information with operating principles, service instructions and diagrams.
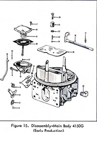
1958 - 1969 Holley 4 bbl Carburetor Manual
Ebook carburetor service manual - 87 pages, 44 MBytes download size, pdf format.
Detailed service information with operating principles, service instructions and diagrams.
1958 - 1969 Holley 4 bbl Carburetor Manual
Ebook carburetor service manual - 87 pages, 44 MBytes download size, pdf format.
